Хомут кламп (двойной) облегчает установку благодаря более широкому отверстию, обеспечивая большую гибкость, чем одинарный хомут. Несмотря на то, что двухшарнирная конструкция дороже, чем одинарная, она является отличной альтернативой для установки в ограниченном пространстве, где установка одинарного хомута может быть невозможна.
Хомут кламп (двойной) 13SF от Lisin представляет собой быстроразъемный зажим для тяжелых нагрузок, оснащенный барашком (крыльчатой гайкой). Изготовленный из нержавеющей стали 304, данный вид соединения используется в асептических трубопроводах для молочной и пищевой, пивоваренной и винной промышленности, а также в производстве напитков и т.д.
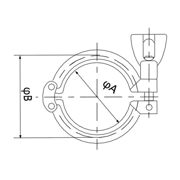
| Размер | ØA | ØB |
| 1/2"-3/4" | 20 | 28 |
| A37 | 27.5 | 42.9 |
| 1"-1.5" | 45 | 58.6 |
| 2.0" | 59 | 72 |
| 2.5" | 67 | 84 |
| 3.0" | 85 | 98 |
| 4.0" | 114 | 127 |
| 4 1/2" | 123 | 133.2 |
| 5.0" | 135.5 | 148x5.6 |
| 5.5" | 145 | 159 |
| 6.0" | 155.4 | 170.4x5.6 |
| DN150 | 173 | 187 |
| 8.0" | 206 | 220x5.6 |
| DN200 | 223 | 237 |
| 10" | 258 | 272x5.6 |
| 12" | 307 | 323x5.6 |
Хомут кламп (двойной) облегчает установку благодаря более широкому отверстию, обеспечивая большую гибкость, чем одинарный хомут. Несмотря на то, что двухшарнирная конструкция дороже, чем одинарная, она является отличной альтернативой для установки в ограниченном пространстве, где установка хомута одинарного может быть невозможна.
Хомут кламп (двойной) с более широким отверстием упрощает установку и обеспечивает большую гибкость, чем одинарный хомут. Конструкция с двумя шарнирами— отличный выбор для установки в ограниченном пространстве.
Хомут для кламп соединения (двойной) 13EU от Lisin, изготовленные из сплава нержавеющей стали AISI 304, может использоваться для асептических труб в молочной и пищевой, пивоваренной и винной промышленности, а также в производстве напитков и т.д.
| DIN 32676 ISO 2852 | DIN 32676 ISO 1127 | DIN 32676 | |
| 1/4"-3/4" | 08-10 | 06-08 | 28.0 |
| 10-15-20 | 37.0 | ||
| 1"-1 1/2" | 15-20-25 | 25-32-40 | 53.0 |
| T2" | 32-40 | 50 | 67.0 |
| 2 1/2" | 50 | 80.0 | |
| 3" | 65 | 65 | 94.0 |
| 3 1/2" | 80 | 80 | 109.0 |
| 4" | 100 | 122.0 | |
| 4 1/2" | 100 | 133.0 | |
| 5" | 147.0 | ||
| 5 1/2" | 125 | 125 | 158.0 |
| 6" | 170.0 | ||
| 8" | 233 | ||
| 10" | 272 | ||
| 12" | 323 |
Хомут кламп (двойной) 13MHHM представляет собой шарнирный механизм из нержавеющей стали AISI 304 для соединения шлангов. Этот хомут для тяжелой нагрузки может использоваться для асептических труб в молочной и пищевой, пивоваренной и винной промышленности, а также в производстве напитков и т.д.
| Размер | ØA | ØB |
| 1/2"-3/4" | 20 | 28 |
| 1.5" | 43.0 | 53.6 |
| 2.0" | 57 | 67 |
| 2.5" | 70.6 | 80.6 |
| 3.0" | 84 | 94 |
| 4.0" | 112 | 122 |
| 4 1/2" | 123 | 133.2 |
| 5.0" | 135.5 | 148x56 |
| 5.5" | 148 | 159 |
| 6.0" | 155 | 170 |
| DN150 | 145 | 159 |
| 8.0" | 205 | 220.8 |
| DN200 | 223 | 237 |
| 10" | 258 | 272 |
| 12" | 307 | 323 |
Хомут кламп (двойной) выполнен из нержавеющей стали AISI 304. Это вид шарнирного зажима, подходящий для тяжелых нагрузок, может использоваться для асептических труб в молочной и пищевой, пивоваренной и винной промышленности, а также в производстве напитков и т.д.
| Размер | ØA | ØB |
| 1/2"-3/4" | 20 | 28 |
| A37 | 27.5 | 42.9 |
| 1"-1.5" | 45 | 58.6 |
| 2.0" | 59 | 72 |
| 2.5" | 67 | 84 |
| 3.0" | 85 | 98 |
| 4.0" | 114 | 127 |
| 4 1/2" | 123 | 133.2 |
| 5.0" | 135.5 | 148x5.6 |
| 5.5" | 145 | 159 |
| 6.0" | 155.4 | 170.4x5.6 |
| DN150 | 173 | 187 |
| 8.0" | 206 | 220x5.6 |
| DN200 | 223 | 237 |
| 10" | 258 | 272x5.6 |
| 12" | 307 | 323x5.6 |
Хомут кламп (двойной)13MHHM представляет собой шарнирный механизм из нержавеющей стали AISI 304 для соединения шлангов. Этот хомут для тяжелой нагрузки может использоваться для асептических труб в молочной и пищевой, пивоваренной и винной промышленности, а также в производстве напитков и т.д.
| Размер | ØA | ØB | D | E | F | G | H |
| 3/4" | 20.58 | 28.34 | 40 | 18 | 8.6 | 3.88 | 5/16" |
| DN10-20 | 27.2 | 37 | 40 | 18 | 6.1 | 4.9 | M6 |
| 1.5" | 41.02 | 53.52 | 48 | 18 | 8.8 | 6.25 | 5/16" |
| DN25-40 | 44.5 | 54.5 | 54 | 16 | 5.75 | 5 | M8 |
| 2.0" | 54.54 | 67.04 | 48 | 18 | 8.8 | 6.25 | 5/16" |
| DN50 | 57 | 68 | 54 | 19 | 5.75 | 5.5 | M8 |
| 2.5" | 68.02 | 80.52 | 48 | 18 | 8.8 | 6.25 | 5/16" |
| 3.0" | 81.52 | 94.02 | 48 | 18 | 8.8 | 6.25 | 5/16" |
| DN65 | 84 | 95 | 54 | 19 | 5.75 | 5.5 | M8 |
| DN80 | 99 | 110 | 54 | 19 | 5.75 | 5.5 | M8 |
| 4.0" | 109.54 | 122.04 | 48 | 18 | 9 | 6.25 | 5/16" |
| DN100 | 112 | 123 | 54 | 19 | 5.75 | 5.5 | M8 |
| DN115 | 123 | 134 | 54 | 19 | 5.75 | 5.5 | M8 |
| DN125 | 144 | 159 | 77 | 19 | 11.25 | 7.5 | M10 |
| 6.0" | 157.6 | 175.1 | 77 | 28 | 14.1 | 9.25 | M10 |
| DN150 | 172 | 187 | 77 | 28 | 11.25 | 7.5 | M10 |
| 8.0" | 207.4 | 225.9 | 77 | 28 | 14.1 | 9.25 | M10 |
| DN200 | 222.5 | 237.5 | 77 | 28 | 12.5 | 7.5 | M10 |
| DN250 | 257 | 272 | 77 | 28 | 12.5 | 7.5 | M10 |
| DN300 | 308 | 323 | 77 | 28 | 12.5 | 7.5 | M10 |
Наш профессиональные навыки и многолетний опыт производства трубопроводной арматуры позволяют нам предоставлять клиентам не только высококачественную продукцию, но и исключительный сервис, включая услугу изготовления на заказ, монтаж и наладку.